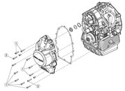
J'ai vu quelque chose de bizarre sur le moteur de ma V85tt. Voici une petite photo qui vaut toutes les explications:

A première vue, ça ressemble drôlement à une fuite d'huile causée par un joint qui vient de lâcher. Pourtant, si j'ai bien compris comment est fait ce moteur, à l'avant du joint fautif, c'est le carter qui cache l'alternateur, donc il ne devrait pas y avoir d'huile derrière ce joint, non?
Est-ce qu'il y aurait quelque chose sur le dessus qui pourrait provoquer un écoulement d'huile?
Comme je n'ai pas encore tout démonté, je n'ai pas bien vu.
Ce n'est pas non plus de l'huile que j'aurais fait couler en faisant l'appoint, puisqu'on est bien au-dessus du bouchon de remplissage.
Est-ce que ça pourrait être de l'essence qui coule du réservoir?
Merci par avance pour votre aide!
Alain

